

座机:0771-5791162
邮箱:2604045678@qq.com
微信号:13667715899
生产基地:广西南宁市高新区科创路10号2#车间1楼1-1
浙江销售中心:浙江绍兴l中国纺织五金机电城
江苏销售中心:江苏省泰兴市黄桥镇(13809016333 汪路)

具体变更内容为:
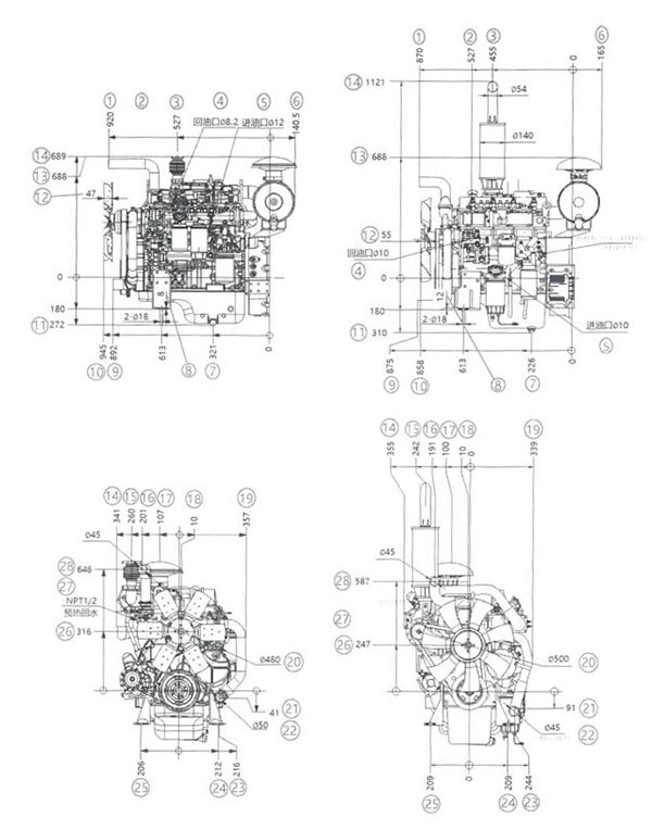
YC4D80-D34变更前后差异(左边为变更前状态,右边为变更后状态,单位mm.图中尺寸旁边的带圆圈的数字为变更点序号。)


序号 | 变更点 | 更改前 | 更改后 |
1 | 出水管胶管端面到飞轮壳端面水平距离 | 920 | 870 |
2 | 排气口到飞轮壳端面水平距离 | 527 | 455 |
3 | 回油口直径 | Φ8.2 | Φ10 |
4 | 进油口直径 | Φ12 | Φ10 |
5 | 空滤凸出飞轮壳端面水平距离 | 140.5 | 165 |
6 | 放机油口到飞轮壳端面水平距离 | 321 | 226 |
7 | 支脚底板厚度 | 8 | 12 |
8 | 水泵进水口端面到飞轮壳端面水平距离 | 892 | 875 |
9 | 风扇端面到飞轮壳端面水平距离 | 945 | 858 |
10 | 发动机最低点到曲轴中心的垂直距离 | 272 | 310 |
11 | 风扇厚度 | 47 | 55 |
12 | 空滤帽顶点到曲轴中心的垂直距离 | 688 | 688 |
13 | 排气口到曲轴中心的垂直距离 | 689 | 1121 |
14 | 发动机排气外侧到曲轴中心水平距离 | 341 | 330 |
15 | 排气口到曲轴中心水平距离 | 260 | 186 |
16 | 调温器出水口到曲轴中心水平距离 | 201 | 183 |
17 | 空滤帽中心到曲轴中心水平距离 | 107 | 14 |
18 | 风扇中心到曲轴中心水平距离 | 偏进气侧10 | 偏排气侧13.4 |
19 | 发动机进气外侧到曲轴中心水平距离 | 357 | 313 |
20 | 风扇直径 | Φ480(铁) | Φ480(塑料) |
21 | 进水口到曲轴中心垂直距离 | 41 | 153 |
22 | 进水口直径 | Φ50 | Φ45 |
23 | 进水口到曲轴中心水平距离 | 216 | 206 |
24 | 左支脚减震器安装孔到曲轴中心水平距离 | 212 | 209 |
25 | 右支脚减震器安装孔到曲轴中心水平距离 | 206 | 209 |
26 | 风扇中心到曲轴中心垂直距离 | 316 | 220 |
27 | 预热回水口规格 | NPT 1/2 | 待定 |
28 | 调温器出水口到曲轴中心垂直距离 | 646 | 550 |
29 | 排气口直径 | Φ48 | Φ52 |
30 | 排气管出口法兰安装孔规格 | 2-M12 | 2-Φ11和2-M10成60°夹角分布 |
31 | 排气管出口法兰安装孔分布 | 78 | 90 |
YC4D90-D34变更前后差异(左边为变更前状态,右边为变更后状态,单位mm.图中尺寸旁边的带圆圈的数字为变更点序号。)


序号 | 变更点 | 更改前 | 更改后 |
1 | 出水管胶管端面到飞轮壳端面水平距离 | 920 | 870 |
2 | 中冷后进气口端面到飞轮壳端面水平距离 | / | 527 |
3 | 排气口到飞轮壳端面水平距离 | 527 | 455 |
4 | 回油口直径 | Φ8.2 | Φ10 |
5 | 进油口直径 | Φ12 | Φ10 |
6 | 空滤凸出飞轮壳端面水平距离 | 140.5 | 169 |
7 | 放机油口到飞轮壳端面水平距离 | 321 | 226 |
8 | 支脚底板厚度 | 8 | 12 |
9 | 水泵进水口端面到飞轮壳端面水平距离 | 892 | 875 |
10 | 风扇端面到飞轮壳端面水平距离 | 945 | 858 |
11 | 发动机最低点到曲轴中心的垂直距离 | 272 | 310 |
12 | 风扇厚度 | 47 | 55 |
13 | 空滤帽顶点到曲轴中心的垂直距离 | 688 | 688 |
14 | 排气口到曲轴中心的垂直距离 | 689 | 1121 |
15 | 发动机排气外侧到曲轴中心水平距离 | 341 | 330 |
16 | 排气口到曲轴中心水平距离 | 260 | 186 |
17 | 调温器出水口到曲轴中心水平距离 | 201 | 183 |
18 | 空滤帽中心到曲轴中心水平距离 | 107 | 21 |
19 | 风扇中心到曲轴中心水平距离 | 偏进气侧10 | 偏排气侧13.5 |
20 | 进气口到曲轴中心水平距离 | / | 243 |
21 | 发动机进气外侧到曲轴中心水平距离 | 357 | 313 |
22 | 进气口直径 | / | 65 |
23 | 进气口到曲轴中心垂直距离 | / | 339 |
24 | 风扇直径 | Φ480(铁) | Φ480(塑料) |
25 | 进水口到曲轴中心水平距离 | 41 | 153 |
26 | 进水口直径 | Φ50 | Φ45 |
27 | 进水口到曲轴中心水平距离 | 216 | 206 |
28 | 左支脚减震器安装孔到曲轴中心水平距离 | 212 | 209 |
29 | 右支脚减震器安装孔到曲轴中心水平距离 | 206 | 209 |
30 | 增压器出气口到曲轴中心水平距离 | / | 305 |
31 | 增压器出气口直径 | / | Φ50 |
32 | 增压器出气口到曲轴中心垂直距离 | / | 285 |
33 | 风扇中心到曲轴中心垂直距离 | 316 | 220 |
34 | 预热回水口规格 | NPT 1/2 | 待定 |
35 | 调温器出水口到曲轴中心垂直距离 | 646 | 550 |
36 | 排气口直径 | Φ48 | Φ52 |
37 | 排气管出口法兰安装孔规格 | 2-M12 | 2-Φ11和2-M10成60°夹角分布 |
38 | 排气管出口法兰安装孔分布 | 78 | 90 |
YC4D105-D34变更前后差异(左边为变更前状态,右边为变更后状态,单位mm.图中尺寸旁边的带圆圈的数字为变更点序号。)


序号 | 变更点 | 更改前 | 更改后 |
1 | 出水管胶管端面到飞轮壳端面水平距离 | 920 | 903 |
2 | 排气口到飞轮壳端面水平距离 | 527 | 474 |
3 | 回油口直径 | Φ8.2 | Φ10 |
4 | 进油口直径 | Φ12 | Φ10 |
5 | 空滤凸出飞轮壳端面水平距离 | 140.5 | 224 |
6 | 放机油口到飞轮壳端面水平距离 | 321 | 285 |
7 | 支脚底板厚度 | 8 | 12 |
8 | 水泵进水口端面到飞轮壳端面水平距离 | 892 | 916 |
9 | 风扇端面到飞轮壳端面水平距离 | 945 | 916 |
10 | 发动机最低点到曲轴中心的垂直距离 | 272 | 286 |
11 | 风扇厚度 | 47 | 55 |
12 | 空滤帽顶点到曲轴中心的垂直距离 | 688 | 688 |
13 | 排气口到曲轴中心的垂直距离 | 689 | 1114 |
14 | 发动机排气外侧到曲轴中心水平距离 | 341 | 355 |
15 | 排气口到曲轴中心水平距离 | 260 | 242 |
16 | 调温器出水口到曲轴中心水平距离 | 201 | 191 |
17 | 空滤帽中心到曲轴中心水平距离 | 107 | 100 |
18 | 风扇中心到曲轴中心水平距离 | 偏进气侧10 | 偏排气侧10 |
19 | 发动机进气外侧到曲轴中心水平距离 | 357 | 339 |
20 | 风扇直径 | Φ480(铁) | Φ500(塑料) |
21 | 进水口到曲轴中心垂直距离 | 41 | 91 |
22 | 进水口直径 | Φ50 | Φ45 |
23 | 进水口到曲轴中心水平距离 | 216 | 244 |
24 | 左支脚减震器安装孔到曲轴中心水平距离 | 212 | 209 |
25 | 右支脚减震器安装孔到曲轴中心水平距离 | 206 | 209 |
26 | 风扇中心到曲轴中心垂直距离 | 315.5 | 247 |
27 | 预热回水口规格 | NPT 1/2 | 待定 |
28 | 调温器出水口到曲轴中心垂直距离 | 647.5 | 587 |
29 | 排气口直径 | Φ48 | Φ52 |
30 | 排气管出口法兰安装孔规格 | 2-M12 | 2-Φ11和2-M10成60°夹角分布 |
31 | 排气管出口法兰安装孔分布 | 78 | 90 |
YC4D140-D31变更前后差异(左边为变更前状态,右边为变更后状态,单位mm.图中尺寸旁边的带圆圈的数字为变更点序号。)


序号 | 变更点 | 更改前 | 更改后 |
1 | 出水管胶管端面到飞轮壳端面水平距离 | 920 | 903 |
2 | 中冷后进气口端面到飞轮壳端面水平距离 | 920 | 610 |
3 | 回油口直径 | Φ8.2 | Φ10 |
4 | 排气口到飞轮壳端面水平距离 | 527 | 448 |
5 | 空滤凸出飞轮壳端面水平距离 | 163 | 169 |
6 | 进油口直径 | Φ12 | Φ10 |
7 | 放机油口到飞轮壳端面水平距离 | 321 | 285 |
8 | 支脚底板厚度 | 8 | 12 |
9 | 水泵进水口端面到飞轮壳端面水平距离 | 889 | 918 |
10 | 风扇端面到飞轮壳端面水平距离 | 962 | 896 |
11 | 发动机最低点到曲轴中心的垂直距离 | 273 | 286 |
12 | 风扇厚度 | 54 | 50 |
13 | 排气口到曲轴中心的垂直距离 | 689 | 950 |
14 | 空滤帽顶点到曲轴中心的垂直距离 | 729 | 760 |
15 | 发动机排气外侧到曲轴中心水平距离 | 350 | 354 |
16 | 排气口到曲轴中心水平距离 | 260 | 242 |
17 | 调温器出水口到曲轴中心水平距离 | 180 | 196 |
18 | 空滤帽中心到曲轴中心水平距离 | 86 | 96 |
19 | 风扇中心到曲轴中心水平距离 | 偏进气侧10 | 偏排气侧10 |
20 | 进气口到曲轴中心水平距离 | 145 | 261 |
21 | 发动机进气外侧到曲轴中心水平距离 | 355 | 339 |
22 | 进气口直径 | Φ70 | Φ65 |
23 | 进气口到曲轴中心垂直距离 | 638 | 362 |
24 | 风扇直径 | Φ500(铁) | Φ550(塑料) |
25 | 进水口到曲轴中心水平距离 | 42.5 | 91 |
26 | 进水口直径 | Φ50 | Φ45 |
27 | 进水口到曲轴中心水平距离 | 213 | 244 |
28 | 左支脚减震器安装孔到曲轴中心水平距离 | 212 | 209 |
29 | 右支脚减震器安装孔到曲轴中心水平距离 | 206 | 209 |
30 | 增压器出气口到曲轴中心水平距离 | 283.5 | 336 |
31 | 增压器出气口直径 | Φ70 | Φ50 |
32 | 增压器出气口到曲轴中心垂直距离 | 低15 | 高290 |
33 | 风扇中心到曲轴中心垂直距离 | 315.5 | 247 |
34 | 预热回水口规格 | NPT 1/2 | 待定 |
35 | 调温器出水口到曲轴中心垂直距离 | 647.5 | 587 |
36 | 排气口直径 | Φ60 | Φ52 |
37 | 排气管出口法兰安装孔规格 | 3-Φ13均布 | 2-Φ11和2-M10成60°夹角分布 |
38 | 排气管出口法兰安装孔分布 | 分度圆直径Φ108 | 间距90 |
如需了解更多相关详情欢迎关注下方微信二维码↓↓↓

扫一扫 关注微信